Sunday, 2 April 2023

EPROM Eraser Repair / Upgrade

This a PSION Datapak Formatter.

Psion datapaks were EPROMs in a plastic carrier that you could use to store information or programs on your PSION II organiser.

Inside were traditional ceramic EPROMs with glass windows that expose the silicon die so that it can be erased by UV light. This D27011 is slightly unusual in that it is a paged EPROM which allows 1Mbit in a 28 pin package, rather than 32 pin as used by the more standard 27C010)

These are slightly more complicated as they didn't have enough pins for a parallel connection, so there were some shift register chips.

When you no longer needed the contents of the datapak, you could insert it into this device, and 30 minutes later, it would be blank and you could start again.

For about a quarter of a century, I have been using the PSION Datapak Formatter as a general EPROM eraser, since that is essentially what it is.

I have been using this a lot recently, as I have been working with 27C080 EPROMs, the maximum capacity you can get on a 32 pin chip, and there aren't pin any compatible EEPROM or flash replacements.

The device has a "30 minute autotimer", which means when you close the drawer, it runs for 30 minutes then switches off. I had got into the habit of running this for half an hour then opening and closing the draw to start a second cycle, and that was more than enough for all the chips I used.

Recently I have been doing that more and more and sometimes it is taking four or five of these 30 minute erase cycles to fully erase the chips.

I decided to have a look inside and see if there was anything I could do.

Inside, there is the "autotimer" PCB and a huge UV bulb / lamp / tube (I will probably use the wrong terms here, but will stick with tube I think).

The tube within is a seemingly standard part, with a E27 screw fitting, although this one has wires soldered on. I am told this is a low pressure mercury discharge tube.

Not sure what that is on the side of the tube, but it looks bad.

I had a look around and so far have not been able to locate a suitable direct replacement tube, it seems they don't make that size any more. (if anyone know where I can get an exact replacement, please let me know)

So I have a nice metal box, with a timer and presumably a switched mains supply for 30 minutes at a time. I just need to locate a suitable replacement UVC light source.

The tube is marked 200-240V 6W, so that gives me reasonable scope.

My initial thought was to cover the inside of the box with UV LED tape. Wary that half the stuff on ebay was probably just purple coloured LEDs, I consulted the world's expert on such things, Big Clive.

Clive informed me that UV LED tape was not going to be able to provide enough power and I should stick with a traditional tube.

He also said that the markings on the tube was probably condensed mercury that is used to create the vapour for the UV discharge, and that gently heating the tube might restore it.

I tried heating it a bit, but I was worried that it might crack, and also aware that I hadn't been able to locate a replacement, so I didn't want to be without an eraser, even if it was a bit slow.

I looked around to see what else was available. There are lots of "germicidal" lights for fish tanks etc and more general sterilisers, many of which are likely scams due to the increased demand for things like this due to recent world events.

I couldn't find anything suitable. There were lots of tubes, but most were too large, or too small, and all appeared to require a driver circuit, where as this was run direct from the mains.

I then decided to have a look around at what was available in the way or EPROM erasers, and pretty much everything on ebay were variations of the same model.

I then remembered that I had been given one of those ages ago.

It's awful, cheap plastic box that doesn't fit together anymore (if it ever did). All the screw mounts are cracked and it's got an alarmingly loud clockwork timer.

The original handle had fallen off, and had been covered over the holes with kapton tape and a PCB mount pillar fitted as a makeshift handle.

The timer is marked for 1-6 minutes, but in practice it is about 8 times that.

However, it does actually work.

So, I have a nice box with a nice electronic timer, but a bad UVC source.

And I have an awful box and timer, but with a good UVC source.

Can you see where I am going?

Inside this one is a small UVC tube, of I type I was able to find replacements for online, so that's a good start.

This is the type that needs a driver board, but there is one of those with it.

Not the best quality I am sure, but I could always replace it with a better / smaller one in future if I find one.

So those are my harvested parts, the two plastic mounts could be handy, the tube and the driver board. The wires are very fragile and one has already fallen off, so I will be replacing all of those.

A nice bit of heatshrink to keep it in place.

So far so good, looks like it will fit.

Before I go any further, I should really have a look at the autotimer board, and check it is suitable to drive something like this.

The new tube is rated 4W, so even with an inefficient drive circuit, should draw less than the original 6W tube.

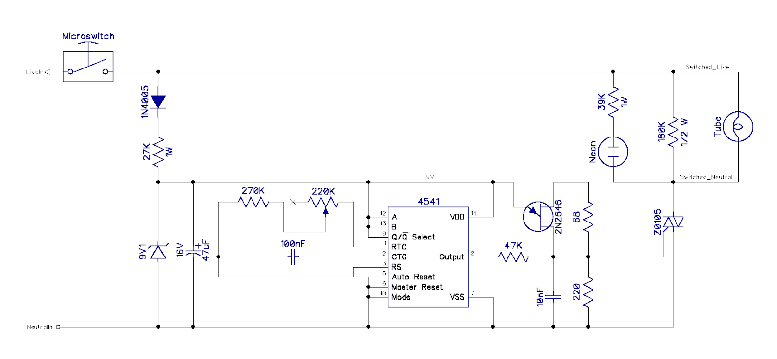
I was slightly surprised to see just a 14 pin chip seemingly running from the mains with no transformer or capacitive dropper. But this was the 1980s, and they have used a resistive dropper instead.

One moment please......

A quick bit of reverse engineering, and I have drawn out the schematic.

There is a microswitch which cuts the power when the drawer is opened. This switches the mains live.

A very simple 9V supply is generated using a diode, a big 1W resistor and a 9V1 zener diode. This powers a CD4541B, which is a dedicated CMOS programmable timer chip. When power is applied, this starts counting down, the time period set by a resistor / capacitor combination, with a trimmer resistor to set the value.

This activates a logic output which is used to drive a 2N2646 unijunction transistor, which itself drives a Z0105 triac. I don't normally work with these sort of things, but these essentially switch the neutral supply to the tube and an indicator neon.

It should go without saying that this is all references to mains voltages, so I am being very careful and the box is well earthed.

In theory, I should be able to wire the new driver board in place of the original tube.

I did consider some alternatives, either driving a relay (or solid state relay), or reverse engineering the driver board and seeing if there was somewhere I could feed the logic enable to, but I will see how it goes like this.

Worse case, I can just wire the driver direct to the microswtich and have it run all the time the drawer is closed, but that requires the user to remember to open it or switch it off after the appropriate time.

I committed to mounting the tube and drilled the appropriate holes. I had to make a slight change to one of the brackets, but it was partly cracked anyway.

The original wiring is a bit worrying, especially given the tray has a big earthing strap the moves around inside the case it the drawer is opened.

I took the opportunity to tidy that up a bit.

There should be nothing for the earth strap to touch now. (note the date sticker, 35 week, 1988)

That's all in place, time to put it back together and give it a go.

So far, so good, the neon is on, and I can see a faint blue glow around the side.

30 minutes later, the light went off and I checked the EPROMs. The two at the back were blank, so I need to remember not to put them too close to the front. I put them all back for a second cycle and after that they were all blank.

Much better than the 4-5 times previously required.

I think I will put that down as a success, but I will still keep a look out for a better tube / driver arrangement, and I may adjust the resistor arrangement to make it 45 minutes or 1 hour.

I can get on with my develop burn test erase fix burn test erase fix... cycle with shorter wait times for the chips to erase.

(and I am not going to listen to anyone that points out I could have erased dozens of EPROMs in the time it has taken to do this. Nothing wrong with a little procrastination.)


Patreon

You can support me via Patreon, and get access to advance previews of posts like this and behind the scenes updates. These are often in more detail than I can fit in here. This also includes access to my Patreon only Discord server for even more regular updates.

https://www.patreon.com/tynemouthsoftware